4DP20GL型多路換向閥說明書
4DP20GL型多路換向閥
4DP20GL型多路換向閥|4DP20GL-2汽車起重機多路換向閥
用途與特征
4DP20GL型多路換向閥主要是為國內8-12噸全液壓汽車起重機上車操縱閥更新換代而設計的全新產品。該產品性能達到了國際同類產品水平。
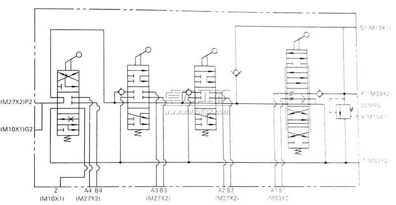
該閥為鑄造油道、片式結構、具有體積小、流量大、壓力損失小,最突出的特點是采用串聯油路,真正意義上實現了聯動,大大提高了工作效率。而且卷揚工況采用雙泵合流、五位雙速技術,實現了卷揚重載低速、輕載高速,從而更加安全可靠。
該閥主要用于起重機的起升、變幅、伸縮、回轉機構。4DP20GL-2多路換向閥已獲得了國家發明專利。
該閥為鑄造油道、片式結構、具有體積小、流量大、壓力損失小,最突出的特點是采用串聯油路,真正意義上實現了聯動,大大提高了工作效率。而且卷揚工況采用雙泵合流、五位雙速技術,實現了卷揚重載低速、輕載高速,從而更加安全可靠。
該閥主要用于起重機的起升、變幅、伸縮、回轉機構。4DP20GL-2多路換向閥已獲得了國家發明專利。
性能參數
| 通徑 | 公稱壓力 | 公稱流量 | 許用背壓 |
| 20 | 25 | 185 | 2 |

液壓原理圖

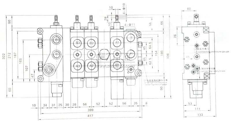
外形及連接尺寸

卓力工礦是國內知名4DP20GL型多路換向閥生產廠家,有豐富的經驗為客戶提供高品質的4DP20GL型多路換向閥及完善的售后服務,如果您想了解最新4DP20GL型多路換向閥價格或者更詳細信息,歡迎撥打服務熱線:
13280082001 18605374511.或者聯系在線客服:
點擊這里、立刻咨詢;我們攜程為您服務!
常見問題:4DP20GL型多路換向閥發貨時間? 4DP20GL型多路換向閥售后保障? 4DP20GL型多路換向閥訂貨需要提供什么信息?
產品標簽:4DP20GL型多路換向閥|
4DP20GL-2汽車起重機多路換向閥
|
上一篇:DP25/20G型負載敏感多路換向閥
下一篇:ZT08型整體式上車多路換向閥

鐵路設備
運轉設備
鉆采設備
噴漿支護
提升設備
防爆電器
礦用電氣
通防設備
救援設備
化工設備
路面建筑
園林機械
節能環保設備
水利機械
泵類
電機





















