PSV負載敏感多路換向閥說明書
PSV負載敏感多路換向閥
PSV負載敏感多路換向閥|PSV掘進機多路換向閥
用途與特征
PSV負載敏感多路換向閥是我廠采用國外工程機械液壓系統進行國產化設計、研制生產的具有先進性能的新型液壓元件。
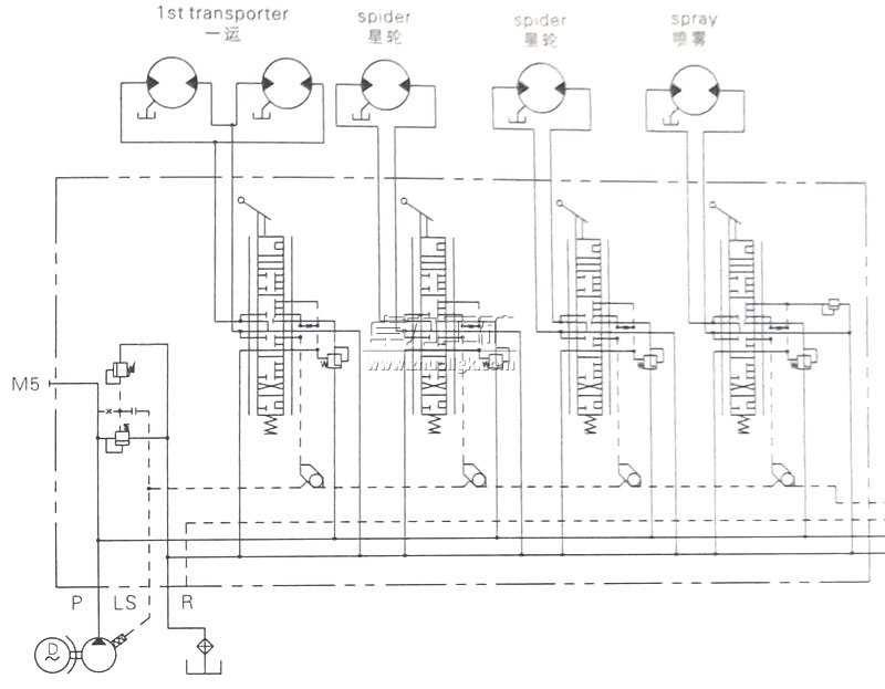
PSV負載敏感多路換向閥主要適用于煤礦掘進機的操縱控制。
PSV負載敏感多路換向閥主要適用于煤礦掘進機的操縱控制。
該閥具有壓力適應功能、可實現液壓系統的負荷傳感隨動控制,減少泵的負荷,減少動力消耗和系統發熱,并且改善閥的流量調節特性,能進行多泵供油分合流控制。
性能參數
| 通徑 | 公稱壓力 | 公稱流量 | 許用背壓 |
| 15(3系列) | 40 | 100 | 2 |
| 20(5系列) | 40 | 150 | 2 |

液壓原理圖

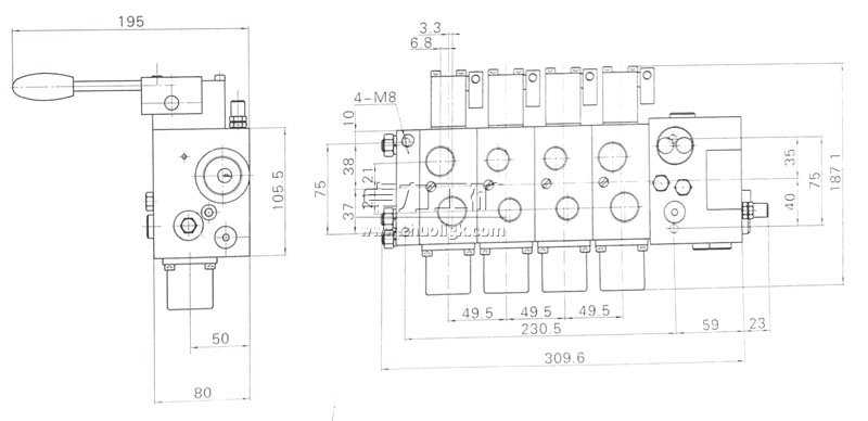
外形及連接尺寸

卓力工礦是國內知名PSV負載敏感多路換向閥生產廠家,有豐富的經驗為客戶提供高品質的PSV負載敏感多路換向閥及完善的售后服務,如果您想了解最新PSV負載敏感多路換向閥價格或者更詳細信息,歡迎撥打服務熱線:
13280082001 18605374511.或者聯系在線客服:
點擊這里、立刻咨詢;我們攜程為您服務!
常見問題:PSV負載敏感多路換向閥發貨時間? PSV負載敏感多路換向閥售后保障? PSV負載敏感多路換向閥訂貨需要提供什么信息?
產品標簽:PSV負載敏感多路換向閥|
PSV掘進機多路換向閥
|
上一篇:QFZMG14H-00負載敏感多路換向閥
下一篇:QF28型全負載反饋多路換向閥

鐵路設備
運轉設備
鉆采設備
噴漿支護
提升設備
防爆電器
礦用電氣
通防設備
救援設備
化工設備
路面建筑
園林機械
節能環保設備
水利機械
泵類
電機





















