PZF-F15L-B平衡制動閥說明書
PZF-F15L-B平衡制動閥
PZF-F15L-B平衡制動閥|平衡制動閥
用途與特征
PZF-F15L-B平衡制動閥主要用于液壓起重機液壓系統回轉機構中,避免回轉機構產生抖動和不穩定現象。該產品也可用于其它工程機械、行走機械的液壓系統中。
性能參數
| 通徑 | 公稱壓力 | 公稱流量 | 開啟壓力 | 過載閥調定壓力 |
| 15 | 20 | 63 | 1.6 | 13(10-21) |

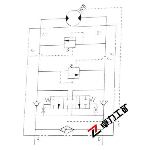
液壓原理圖

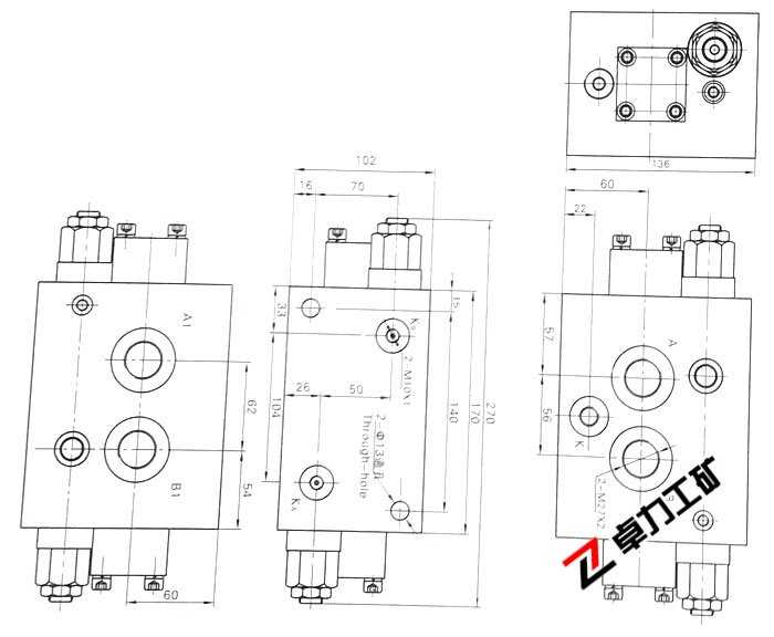
外形及連接尺寸

卓力工礦是國內知名PZF-F15L-B平衡制動閥生產廠家,有豐富的經驗為客戶提供高品質的PZF-F15L-B平衡制動閥及完善的售后服務,如果您想了解最新PZF-F15L-B平衡制動閥價格或者更詳細信息,歡迎撥打服務熱線:
13280082001 18605374511.或者聯系在線客服:
點擊這里、立刻咨詢;我們攜程為您服務!
常見問題:PZF-F15L-B平衡制動閥發貨時間? PZF-F15L-B平衡制動閥售后保障? PZF-F15L-B平衡制動閥訂貨需要提供什么信息?
產品標簽:PZF-F15L-B平衡制動閥|
平衡制動閥
|
上一篇:BVD25W卷揚制動閥
下一篇:平衡閥

鐵路設備
運轉設備
鉆采設備
噴漿支護
提升設備
防爆電器
礦用電氣
通防設備
救援設備
化工設備
路面建筑
園林機械
節能環保設備
水利機械
泵類
電機





















